Schemi degli impianti, Genia Air Legenda degli schemi

Schema dell’impianto 0020234154

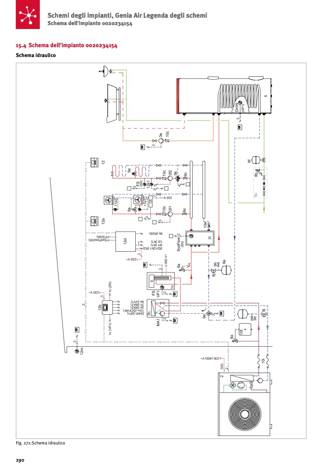
15.4 Schema dell’impianto 0020234154

Schema idraulico

Fig. 271:Schema idraulico

290