Schemi degli impianti, Genia Air Legenda degli schemi

Schema dell’impianto 0020234162

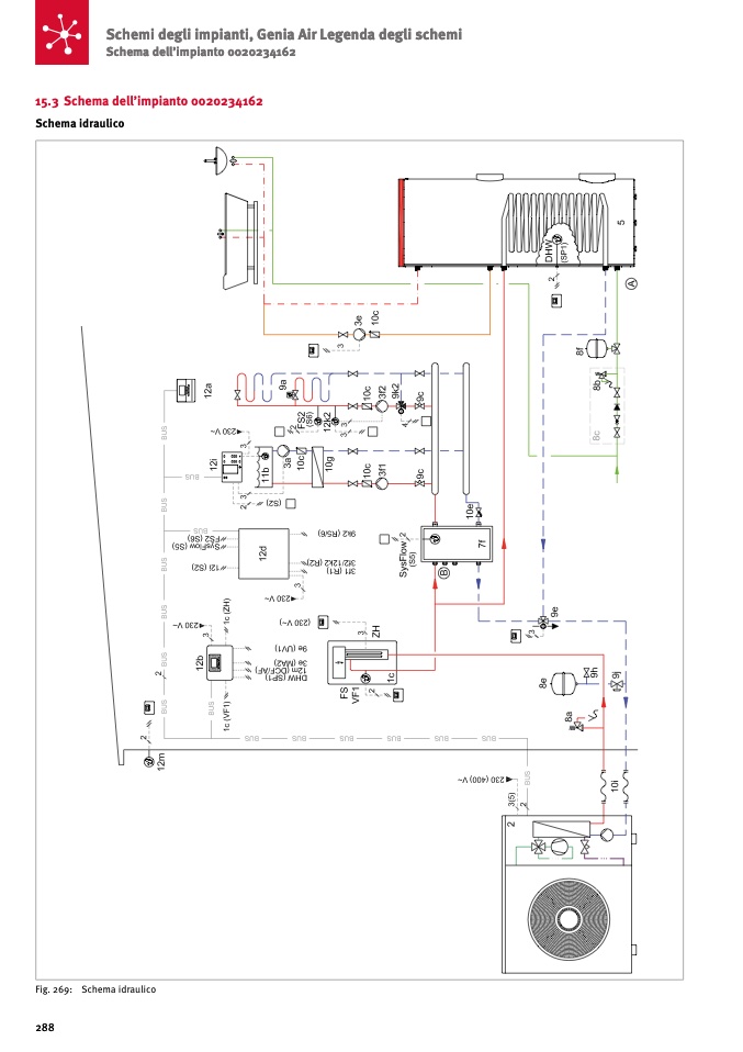
15.3 Schema dell’impianto 0020234162

Schema idraulico

Fig. 269: Schema idraulico

288