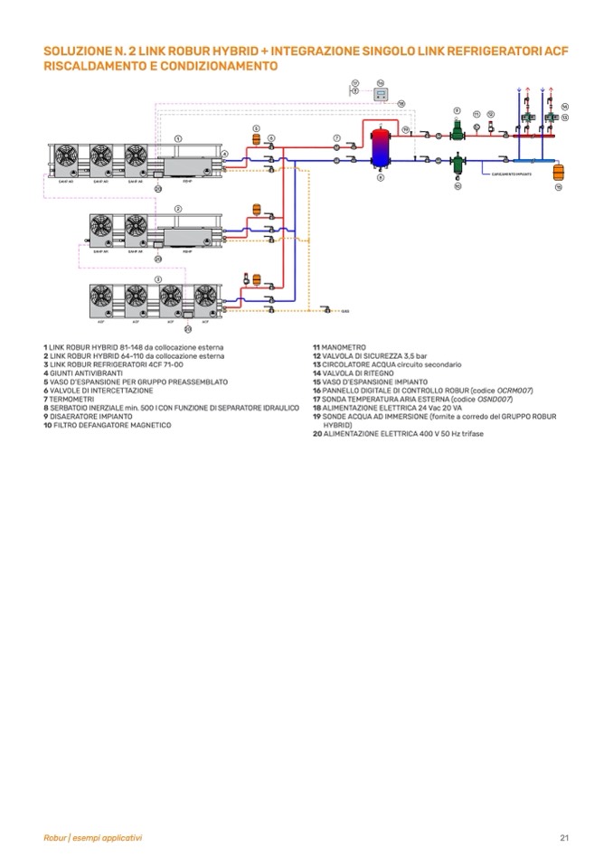
SOLUZIONE N. 2 LINK ROBUR HYBRID + INTEGRAZIONE SINGOLO LINK REFRIGERATORI ACF

RISCALDAMENTO E CONDIZIONAMENTO

GAHP AR

GAHP AR

GAHP AR

ACF

GAHP AR

GAHP AR

ACF

REHP

REHP

20

8

20

20

3

15

ACF

ACF

1 LINK ROBUR HYBRID 81-148 da collocazione esterna

2 LINK ROBUR HYBRID 64-110 da collocazione esterna

3 LINK ROBUR REFRIGERATORI 4CF 71-00

4 GIUNTI ANTIVIBRANTI

5 VASO D’ESPANSIONE PER GRUPPO PREASSEMBLATO

6 VALVOLE DI INTERCETTAZIONE

7 TERMOMETRI

8 SERBATOIO INERZIALE min. 500 l CON FUNZIONE DI SEPARATORE IDRAULICO

9 DISAERATORE IMPIANTO

10 FILTRO DEFANGATORE MAGNETICO

11 MANOMETRO

12 VALVOLA DI SICUREZZA 3,5 bar

13 CIRCOLATORE ACQUA circuito secondario

14 VALVOLA DI RITEGNO

15 VASO D’ESPANSIONE IMPIANTO

16 PANNELLO DIGITALE DI CONTROLLO ROBUR (codice OCRM007)

17 SONDA TEMPERATURA ARIA ESTERNA (codice OSND007)

18 ALIMENTAZIONE ELETTRICA 24 Vac 20 VA

19 SONDE ACQUA AD IMMERSIONE (fornite a corredo del GRUPPO ROBUR

HYBRID)

20 ALIMENTAZIONE ELETTRICA 400 V 50 Hz trifase

Robur | esempi applicativi

21

5

19

1

6

7

2

4

GAS

17

16

18

14

13

9

10

11

12

CARICAMENTO IMPIANTO