RECUPERATORE DI CALORE ARIA-ARIA

Disegni

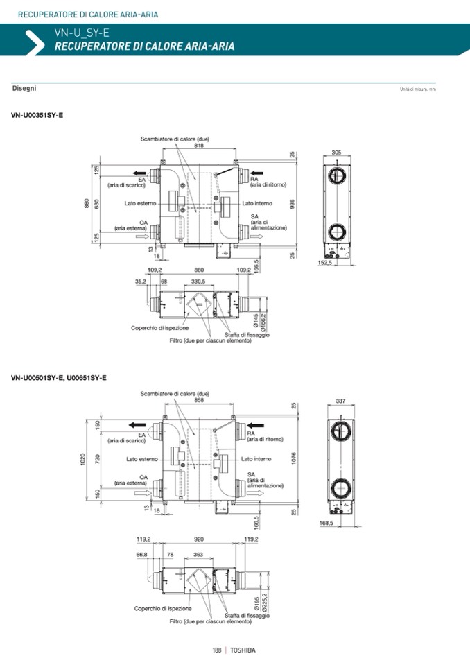
VN-U00351SY-E

Unità di misura: mm

VN-U_SY-E

RECUPERATORE DI CALORE ARIA-ARIA

VN-U00501SY-E, U00651SY-E

0

5

1

0

2

0

1

0

5

1

Scambiatore di calore (due)

858

337

6

7

0

1

Scambiatore di calore (due)

818

5

2

5

2

1

305

5

2

1

OA

(aria esterna)

35,2

SA

(aria di

alimentazione)

3

1

18

5

2

0

2

7

Lato esterno

Lato interno

SA

(aria di

alimentazione)

EA

(aria di scarico)

RA

(aria di ritorno)

0

8

0

6

8

3

6

3

9

Lato esterno

Lato interno

EA

(aria di scarico)

RA

(aria di ritorno)

OA

(aria esterna)

109,2

68

880

330,5

5

4

1

2

,

6

Coperchio di ispezione

Ø

1

Ø

Staffa di fissaggio

Filtro (due per ciascun elemento)

119,2

66,8

920

78

363

3

1

18

5

2

5

,

6

1

119,2

168,5

5

9

2

,

5

2

Coperchio di ispezione

1

Ø

2

Ø

Staffa di fissaggio

Filtro (due per ciascun elemento)

188 TOSHIBA

109,2

5

,

6

1

152,5

5

2