0020284589

Informazioni di prodotto per GeniaAir Tek HA ...-7.2 OS 230V B3

Schemi di impianto e schemi elettrici di base

1

0

c

3

e

2

d

3

2

d

M

4

0

0

(

2

3

0

)

V

~

M

O

D

B

U

S

B

U

S

B

U

S

B

U

S

B

U

S

2

d

2

3

0

V

~

B

U

S

2

c

3

2

9

a

1

2

k

2

M

O

D

M

O

D

M

O

D

M

O

D

1

2

m

2

2

d

1

2

q

3

B

U

S

2

3

0

V

~

B

U

S

1

2

B

U

S

3

7

1

2

k

3

e

1

2

m

3

2

3

9

2

2

5

(

3

)

2

B

U

S

B

U

S

B

U

S

B

U

S

B

U

S

8

f

L

A

N

W

L

A

N

B

U

S

B

U

S

8

c

7

f

9

d

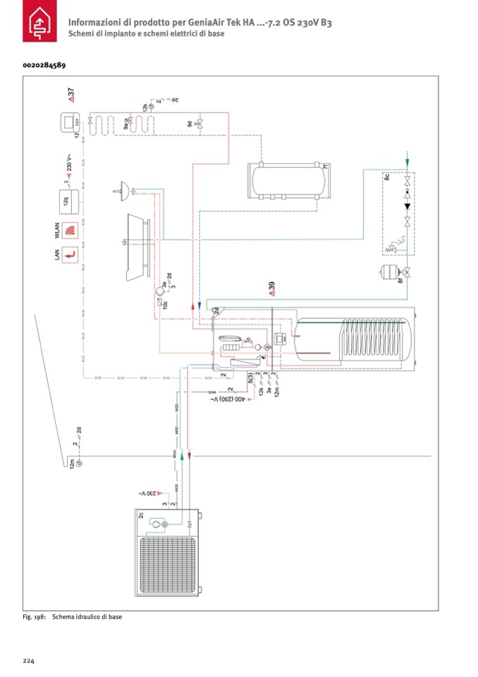
Fig. 198: Schema idraulico di base

224