Integrated / Daikin Altherma 3 R F

Dimensionali

EBVH-D6V

EBVH-D9W

EBVX-D6V

EBVX-D9W

3

7

1

0

9

7

21

9 Connessione1"BSPdientratadell'acqua

-

D9W

3

7

10

9

7

418

258 80

80

11

1 Connessione svasataØ15.9 del tubo del

2 ConnessionesvasataØ9.5deltubodel

3 Sensore pressione acqua riscaldamento

4 Valvola di sicurezza

5 Valvoladiscaricodelcircuitoidraulico

6 Spurgo aria

7 Valvola di intercettazione

8 Filtro magnetico / separatore di sporciz

9 Connessione 1" BSP di entrata dell'acqu

10 Connessione 1" BSP di uscita dell'acqua

11 Acqua calda sanitaria: entrata acqua fre

12 Acqua calda sanitaria: uscita acqua cald

13 Entrata cablaggio di alta tensione Ø24 m

14 Entrata cablaggio di bassa tensione Ø15

15 Piedini di livellamento

16 Interfaccia utente

17 Collegamento di ricircolo G3/4" (femmi

18 Uscita di scarico (unità + valvola di sicur

1 Connessione svasataØ15.9 del tubo del gas

2 Connessione svasataØ 9.5 del tubo del liquido

3 Sensorepressioneacquariscaldamentoambiente

4 Valvoladisicurezza

13

418

258

9880

14

17

24

-

D6

Va

V

lvola di scarico del circuito idraulico

5

597

12

6 Spurgoaria

-

D9W

7 Valvoladiintercettazione

8 Filtro magnetico / separatore di sporcizia

2

1

-

D6V

19

1 Con

2

n

2

e

Ri

s

c

s

a

i

l

o

da

n

to

e

re

s

d

v

ir

a

is

s

er

a

10Connessione1"BSPdiuscitadell'acqua

11 Acqua calda sanitaria: entrata acqua fredda 3/4" BSP-F

12 Acqua calda sanitaria: uscita acqua calda 3/4" BSP-F

13EntratacablaggiodialtatensioneØ24mm

14EntratacablaggiodibassatensioneØ15mm

15Piedinidilivellamento

16Interfacciautente

16

Vaso di espansione

20 Valvola a 3 vie

21 Pompa

17CollegamentodiricircoloG3/4"(femmina)

21

14

17

24

7 Valvoladiintercet

8 Filtromagnetico/

18Uscitadiscarico(unità+valvoladisicurezza)

19 Vaso di espansione

180L

13

20

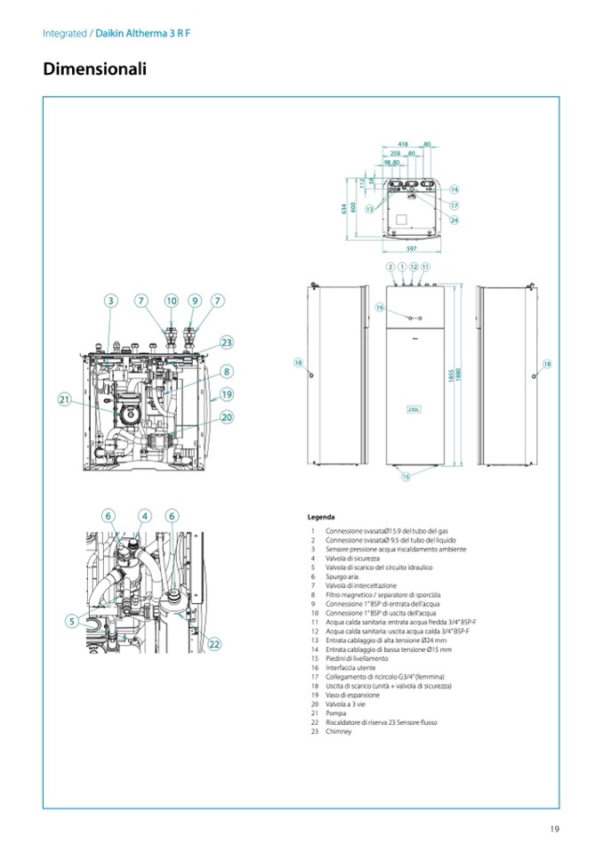
Legenda

9 Connessione1"BS

5

essere

c

abili.

z

ione.

180L

18

5

1

Connessione svasataØ15.9 del tubo del gas

2

Connessione svasataØ 9.5 del tubo del liquido

3

Sensore pressione acqua riscaldamento ambiente

4

Valvola di sicurezza

6

Spurgo aria

7

Valvola di intercettazione

8

Filtro magnetico / separatore di sporcizia

9

Connessione 1” BSP di entrata dell’acqua

10 Connessione 1” BSP di uscita dell’acqua

11 Acqua calda sanitaria: entrata acqua fredda 3/4” BSP-F

12 Acqua calda sanitaria: uscita acqua calda 3/4” BSP-F

13 Entrata cablaggio di alta tensione Ø24 mm

14 Entrata cablaggio di bassa tensione Ø15 mm

15 Piedini di livellamento

16 Interfaccia utente

17 Collegamento di ricircolo G3/4” (femmina)

18 Uscita di scarico (unità + valvola di sicurezza)

19 Vaso di espansione

20 Valvola a 3 vie

21 Pompa

22 Riscaldatore di riserva 23 Sensore flusso

23 Chimney

230L

1

2

2

2

2

2

18

5

20 Valvola a 3 vie

21 Pompa

22 Riscaldatore di riserva

23 Sensore flusso

24 Chimney

597

15

Per gli esempi, consultare la

guida di riferimento per l'installazione.

11 Acqua calda sanita

12 Acqua calda sanita

T25

13 Entrata cablaggio

14 Entrata cablaggio

Viti utilizzate

6

4

6

2 1 12 11

T25

22

18

T25

Viti utilizzate con l'unità:

23

8

19

4 Valvoladisicurezz

6

4

18

5 Valvoladiscaricod

18

23

8

19

20

98 80

16

5

Valvola di scarico del circuito idraulico

3D136427A

15

19

80

24 Chimney

3 Sensorepressione

80

230L

23 Sensore flusso

2 Connessionesvasa

L'installazione tipica in loco deve essere

effettuata in base alle leggi applicabili.

15 Piedini di livellame

16 Interfaccia utente

17 Collegamento di r

18 Uscita di scarico (u

L'installazione tipica in loco deve essere

e

f

f

e

t

t

u

a

t

a

i

n

b

a

s

e

a

l

l

e

l

e

g

g

i

a

p

p

l

i

c

a

b

i

l

i

.

6 Spurgoaria

10 Connessione 1" BS

1

6

5

5

1

6

8

0

1

8

5

5

1

8

8

0

1

8

5

5

1

8

8

0

6

3

4

6

0

0

1

6

5

5

1

6

8

0

1

1

2

5

8

6

3

4

6

0

0

1

1

2

5

8