CATALOGO PARTI DI RICAMBIO

Rubinetteria

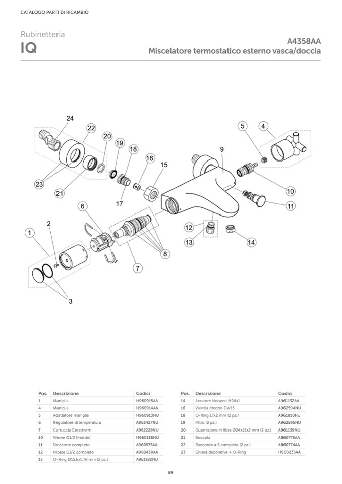
A4358AA

Miscelatore termostatico esterno vasca/doccia

PARTE 09:Layout 1 28-08-2009 11:03 Pagina 197

IQ

IQ

A4358AA

MISCELATORE TERMOSTATICO ESTERNO PER VASCA/DOCCIA

24

22

5

4

20

19

16

18

9

15

23

21

2

1

3

6

17

10

11

12

13

Pos.

14

Pos.

Descrizione

8

7

Codici

Descrizione

Codici

A961182NU

9,00

A961132AA

7,00

A962594NU

12,00

A961810NU

8,00

A962595NU

9,00

A961139NU

9,00

1 Maniglia

H960915AA

94,00

4 Maniglia

H960914AA

80,00

13 O-Ring Ø15,6x1,78 mm. neutro (2 pz.)

14 Aeratore Neoperl M24x1

16 Valvola ritegno DW15 neutra

18 O-Ring 17x2 mm neutro (2 pz.)

5 Adattatore maniglia

6 Regolatore di temperatura neutro

7 Cartuccia Ceratherm

H960913NU

8,00

A963427NU

14,00

A962229NU

55,00

H960136NU

14,00

A960575AA

26,00

19 Filtro neutro (2 pz.)

20 Guarnizione in fibra Ø24x15x2 (2 pz.)

21 Boccola

A860775AA

26,00

10 Vitone G1/2 (freddo)

11 Deviatore completo cromato

1

2

Ni

p

A

2

2

83,00

ple G1/2

Pos.

completo cromato

A960430

Descrizione

A

12,00

Codici

1

Maniglia

H960915AA

4

Maniglia

H960914AA

5

Adattatore maniglia

H960913NU

6

Regolatore di temperatura

A963427NU

7

Cartuccia Ceratherm

A962229NU

10

Vitone G1/2 (freddo)

H960136NU

11

Deviatore completo

A960575AA

12

Nipple G1/2 completo

A960430AA

13

O-Ring Ø15,6x1,78 mm (2 pz.)

A961182NU

Racc

Pos.

ordo a S completo (2 pz.)

A8

Descrizione

60774AA

Codici

14

Roso ne x raccordo ad S cromo

H9

Aeratore Neoperl M24x1

60235AA

A961132AA

16

Valvola ritegno DW15

A962594NU

18

O-Ring 17x2 mm (2 pz.)

A961810NU

19

Filtro (2 pz.)

A962595NU

20

Guarnizione in fibra Ø24x15x2 mm (2 pz.)

A961139NU

21

Boccola

A860775AA

22

Raccordo a S completo (2 pz.)

A860774AA

23

Ghiera decorativa + O-Ring

H960235AA

89

23

39,00