CATALOGO PARTI DI RICAMBIO

Produced from:

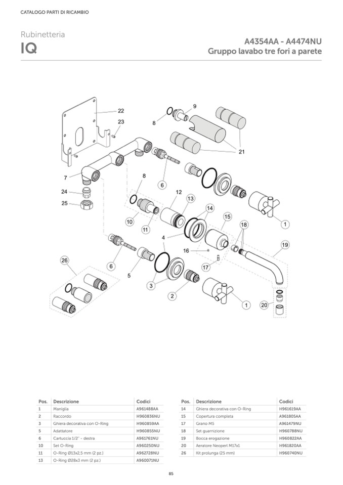
Rubinetteria

A4474NU A4354..

IQ

chrome, with cross handle

A4474NU

A4354AA

39 - 61

102

A4354AA - A4474NU

Gruppo la69vabo tre fori a parete

IQ

Pre-installation kit

Wall mounted Lavy / set 2 / Design parts

224

Ø60

Ø42

175

22

23

9

Ø18

204

8

8

6

21

7

24

25

26

12

10

11

6

5

13

4

16

14

15

17

18

1

19

3

2

Replace XX with the appropriate finish code

1

20

Example spare part order:

chrome = AA

Pos. Description

Part-

Number

Qty.

A 961 488 AA

1 pcs

H 960 836 NU

1 pcs

H 960 859 AA

1 pcs

H 960 855 NU

1 pcs

A 961 761 NU

1 pcs.

pcs.

A 962 728 NU

2 pcs

pcs

A 961 805 AA

1 pcs

Pos. Description

H 961 653 AA

Part-

Number

A 961 479 NU

H 960 788 NU

H 960 822 AA

H 961 820 AA

H 960 740 NU

in chrome

Qty.

1 set

1 pcs

1 pcs.

1 pcs

1 pcs

1 Cross handle complete

2 Sleeve

3 Escutcheon with o-ring

4 O-ring Ø 48 x 3

16 Thread pin M5x6 DIN914

17 Thread pin M5

18 Glide ring with o-ring

19 Spout

5 Extension adapter

6 Headwork G1/2 re.

7 Built-in body ( Lavy )

20 Aerator M17x1 complete

21 Plaster template

22 Holder for body fixation

26 Extension kit 25mm

Pos.

Descrizione

8 O-ring Ø 18 x 2

Codici

1

9

Manig

P

lia

lug

A961488AA

2

10 Nipple complete

A 960

Raccordo

250 NU

1

H960836NU

3

Ghiera decorativa con O-Ring

12 Connector

H960859AA

5

1

A

3

datta

O

to

-

re

ing Ø 28 x 3

A 960

0

H

71

96

N

0

U

855NU

2

6

14 Escutcheon complete

H 961

Cartuccia 1/2'' - destra

619 AA

1

A961761NU

10

Set O-Ring

A960250NU

11

O-Ring Ø13x2,5 mm (2 pz.)

A962728NU

13

O-Ring Ø28x3 mm (2 pz.)

A960071NU

Pos.

Descrizione

23 Thread pin M5x10 DIN914

Codici

14

24 Nipple G1/2

Ghiera decorativa con O-Ring

H961619AA

15

25 Coupling nut

Copertura completa

A961805AA

17

Grano M5

A961479NU

18

Set guarnizione

H960788NU

19

Bocca erogazione

H960822AA

20

Aeratore Neoperl M17x1

H961820AA

IQ

26

Kit prolunga (25 mm)

H960740NU

11 O-ring Ø 13 x 2,5

15 Cover cpl. with IS-Logo

pcs

85

I

Q