CATALOGO PARTI DI RICAMBIO

Rubinetteria

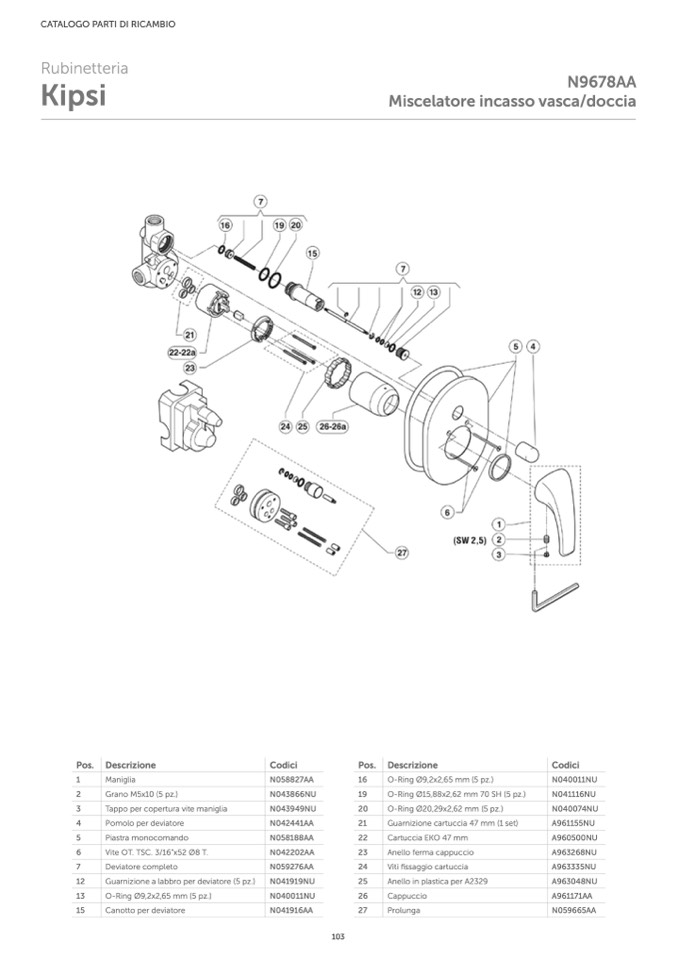
Kipsi

N9678AA

Miscelatore incasso vasca/doccia

Pos.

Descrizione

Codici

16

O-Ring Ø9,2x2,65 mm (5 pz.)

N040011NU

19

O-Ring Ø15,88x2,62 mm 70 SH (5 pz.)

N041116NU

20

O-Ring Ø20,29x2,62 mm (5 pz.)

N040074NU

21

Guarnizione cartuccia 47 mm (1 set)

A961155NU

22

Cartuccia EKO 47 mm

A960500NU

23

Anello ferma cappuccio

A963268NU

24

Viti fissaggio cartuccia

A963335NU

25

Anello in plastica per A2329

A963048NU

26

Cappuccio

A961171AA

27

Prolunga

N059665AA

Pos.

Descrizione

Codici

1

Maniglia

N058827AA

2

Grano M5x10 (5 pz.)

N043866NU

3

Tappo per copertura vite maniglia

N043949NU

4

Pomolo per deviatore

N042441AA

5

Piastra monocomando

N058188AA

6

Vite OT. TSC. 3/16”x52 Ø8 T.

N042202AA

7

Deviatore completo

N059276AA

12

Guarnizione a labbro per deviatore (5 pz.)

N041919NU

13

O-Ring Ø9,2x2,65 mm (5 pz.)

N040011NU

15

Canotto per deviatore

N041916AA

103