ECO COMBI PDC

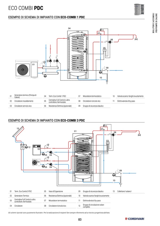
ESEMPIO DI SCHEMA DI IMPIANTO CON ECO-COMBI 1 PDC

04

E11

07

08

05

09

10

I

L

U

E

R

O

M

U

C

L

A

C

C

A

E

I

D

E

I

R

O

P

M

O

T

I

L

P

R

E

O

B

P

01

01

Generatore termico (Pompa di

Calore)

02 Circolatore riscaldamento

03 Circolatore servizio Acs

2

0

3

0

04 Term. Eco Combi 1 PDC

07 Miscelatore termostatico

08 Circolatore ricircolo Acs

09 Gruppo di sicurezza idaulico

10 Valvola scarico fanghi/svuotamento

11 Elettrovalvola di by-pass

13

01

E11

07

08

03

12

02

05 04

02

05 04

06

01 Term. Eco Combi 3 PDC

05

Vaso di Espansione

02 Generatore Termico

06

Resistenza Elettrica (opzionale)

03

Centralina Full Control o altro

controllore /termostato

07

Miscelatore termostatico

04 Circolatore

08

Circolatore ricircolo Acs

09 Gruppo di sicurezza idaulico

10 Valvola scarico fanghi/svuotamento

11 Elettrovalvola di by-pass

12

Gruppo di circolazione solare

completo

13 Collettore/i solare/i

05

Centralina Full Control o altro

controllore /termostato

06 Resistenza Elettrica (opzionale)

ESEMPIO DI SCHEMA DI IMPIANTO CON ECO-COMBI 3 PDC

Gli schemi riportati sono puramente illustrativi. Per la realizzazione di impianti fare sempre riferimento ad un tecnico progettista abilitato.

83

06

10

09