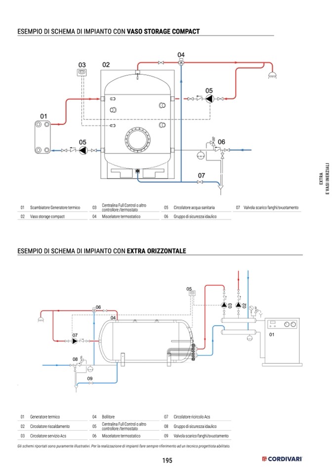
ESEMPIO DI SCHEMA DI IMPIANTO CON VASO STORAGE COMPACT

04

03

02

01

01 Scambiatore Generatore termico

03

02 Vaso storage compact

04

Centralina Full Control o altro

controllore /termostato

Miscelatore termostatico

05 Circolatore acqua sanitaria

06 Gruppo di sicurezza idaulico

07 Valvola scarico fanghi/svuotamento

05

06

ESEMPIO DI SCHEMA DI IMPIANTO CON EXTRA ORIZZONTALE

01 Generatore termico

02 Circolatore riscaldamento

03 Circolatore servizio Acs

04 Bollitore

07

05

Centralina Full Control o altro

08

controllore /termostato

06 Miscelatore termostatico

09

Circolatore ricircolo Acs

Gruppo di sicurezza idaulico

Valvola scarico fanghi/svuotamento

06

04

08

09

07

Gli schemi riportati sono puramente illustrativi. Per la realizzazione di impianti fare sempre riferimento ad un tecnico progettista abilitato.

195

05

07

05

0

3

0

2

01

E

X

T

R

A

E

V

A

S

I

I

N

E

R

Z

I

A

L

I