PANORAMICA PRODOTTI E SISTEMI GIACOMINI 2023

39

6

7

1

1

0

4

1

5

1

6

1

7

1

8

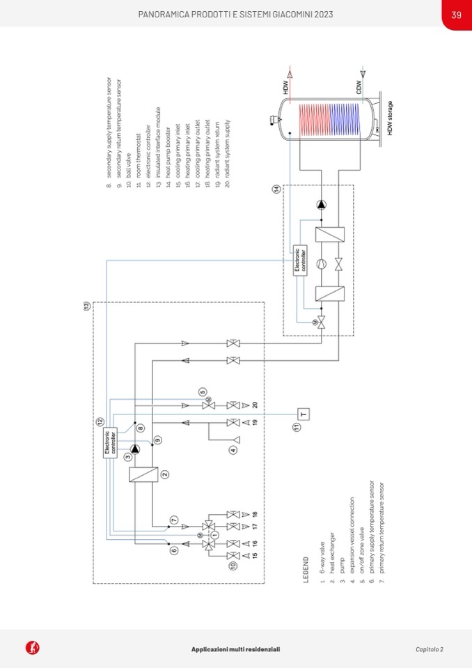
L

E

G

E

N

D

1

.

6

-

w

a

y

v

a

l

v

e

2

.

h

e

a

t

e

x

c

h

a

n

g

e

r

3

.

p

u

m

p

4

.

e

x

p

a

n

s

i

o

n

v

e

s

s

e

l

c

o

n

n

e

c

t

i

o

n

5

.

o

n

/

o

f

f

z

o

n

e

v

a

l

v

e

6

.

p

r

i

m

a

r

y

s

u

p

p

l

y

t

e

m

p

e

r

a

t

u

r

e

s

e

n

s

o

r

7

.

p

r

i

m

a

r

y

r

e

t

u

r

n

t

e

m

p

e

r

a

t

u

r

e

s

e

n

s

o

r

5

1

2

E

l

e

c

t

r

o

n

i

c

c

o

n

t

r

o

l

l

e

r

8

9

2

8

.

s

e

c

o

n

d

a

r

y

s

u

p

p

l

y

t

e

m

p

e

r

a

t

u

r

e

s

e

n

s

o

r

9

.

s

e

c

o

n

d

a

r

y

r

e

t

u

r

n

t

e

m

p

e

r

a

t

u

r

e

s

e

n

s

o

r

1

0

.

b

a

l

l

v

a

l

v

e

1

1

.

r

o

o

m

t

h

e

r

m

o

s

t

a

t

1

2

.

e

l

e

c

t

r

o

n

i

c

c

o

n

t

r

o

l

l

e

r

1

3

.

i

n

s

u

l

a

t

e

d

i

n

t

e

r

f

a

c

e

m

o

d

u

l

e

1

4

.

h

e

a

t

p

u

m

p

b

o

o

s

t

e

r

1

5

.

c

o

o

l

i

n

g

p

r

i

m

a

r

y

i

n

l

e

t

1

6

.

h

e

a

t

i

n

g

p

r

i

m

a

r

y

i

n

l

e

t

1

7

.

c

o

o

l

i

n

g

p

r

i

m

a

r

y

o

u

t

l

e

t

1

8

.

h

e

a

t

i

n

g

p

r

i

m

a

r

y

o

u

t

l

e

t

1

9

.

r

a

d

i

a

n

t

s

y

s

t

e

m

r

e

t

u

r

n

2

0

.

r

a

d

i

a

n

t

s

y

s

t

e

m

s

u

p

p

l

y

3

1

9

2

0

1

1

T

1

4

1

3

E

l

e

c

t

r

o

n

i

c

c

o

n

t

r

o

l

l

e

r

H

D

W

C

D

W

H

D

W

s

t

o

r

a

g

e

Applicazioni multi residenziali

Capitolo 2