38

Sistemi ibridi

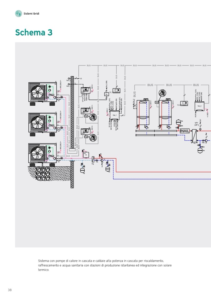
Schema 3

Sistema con pompe di calore in cascata e caldaie alta potenza in cascata per riscaldamento,

raffrescamento e acqua sanitaria con stazioni di produzione istantanea ed integrazione con solare

termico.

III

10c

10i

II

2

10i

5(3)

2

10c

q

3

1 (I)

12m_2

3

BUS

BUS

2

12j

2

5(3)

8e

10c

I

10i

8a

5

8a

5

9h

BUS

8a

3i

3

8e

q

12b1

12_1

12b2

12g1

2

3

12e_1

2

3

3

10c 3f

12b3

8a

10f

9j 9h

8g

10g

BUS

BUS

BUS

BUS

BUS

BUS

BUS

BUS

BUS

BUS

2

2

12e_2

VF1

(VF1) 2

q

9j

9h

8e

12m_1

5(3

)

3

2

2

I

II

3

III

2

3

12g2

3

INAIL

10g

9j 9h

10c

12g3

3

2

12_2

3

3

3

3

9j

M

2a

1

1

M

2a

2

3

0

V

~

2

3

2

M

2a

1

2

b

1

B

U

S

B

U

S

B

U

S

1

2

e

_

2

(

S

6

)

B

U

S

B

U

S

4

0

0

(

2

3

0

)

V

~

B

U

S

B

U

S

B

U

S

B

U

S

B

U

S

B

U

S

2

3

0

V

~

3

f

1

(

R

1

)

3

f

2

/

1

2

k

(

R

2

)

9

f

(

R

4

)

9

e

1

,

9

e

2

(

R

6

)

9

k

1

(

R

9

/

1

0

)

4

0

0

(

2

3

0

)

V

~

B

U

S

B

U

S

B

U

S

4

0

0

(

2

3

0

)

V

~

2

3

0

V

~

B

U

S

B

U

S

B

U

S

B

U

S

2

3

0

V

~

B

U

S

1

1

2

b

1

3

f

(

R

1

)

S

y

s

F

l

o

w

_

2

(

S

1

)

F

S

1

_

2

(

S

2

)

F

S

2

_

2

(

S

3

)

D

E

M

1

(

S

6

)

V

F

1

(

V

F

1

)

9

e

(

U

V

1

)

3

i

(

M

A

1

)

2

3

0

V

~

S

y

s

F

l

o

w

_

1

(

S

1

)

F

S

1

_

1

(

S

2

)

F

S

1

_

2

(

S

3

)

B

u

f

T

o

p

C

H

(

S

5

)

B

u

f

T

o

p

D

H

W

(

S

7

)

B

u

f

B

t

D

H

W

(

S

8

)

B

U

S

B

U

S

1

2

m

_

2

B

U

S

2

3

0

V

~

2

3

0

V

~